Tervas® aitta on hirsinen piharakennus, jonka voit sisustaa esimerkiksi viihtyisäksi aittahuvilaksi, rauhaisaksi etätyötilaksi tai nukkuma-aittana vierasmajaksi. Aittarakennukset saa pulpettikattoisen lisäksi myös harjakattoisina hieman pienemmin ikkunoin. Lukuisat materiaali- ja varustevalinnat mahdollistavat aitan suunnittelun omien toiveiden mukaiseksi. Tervas® aitat voidaan toimittaa pihaasi valmisaittana, eli täysin valmiina. Hirsiaitat mahdollista saada myös itse koottavana materiaalitoimituksena.
Tiesitkö, että ostaessasi Tervas-rakennuksen, maksat 100% vasta rakennuksen valmistuttua.
Hyödynnä myös tarjoamamme 6kk kuluton ja koroton maksuaika!
Aitta on yksi monipuolisimmista piharakennuksista. Aitan voi valjastaa käyttöön esimerkiksi vierasmajaksi, lisätilaksi, kesäkeittiöksi, varastoksi, harrastetilaksi, työtilaksi, toimistoksi, kuntosaliksi, ateljeeksi, studioksi jne. Vain mielikuvitus on rajana!
Jokaisella aitalla on oma tarinansa. Katso, miten erilaisia aittoja olemme toteuttaneet.






Piharakennusesitteestä löydät mallistomme sekä lisää tietoa meistä. Voit tilata pelkästään digiversion tai halutessasi myös printtiversion kotiisi maksutta.
Toimme Tervas® saunan ylivertaisen löylynautinnon jatkoksi saman tasoisen peseytymiskokemuksen. Nostimme saunapeseytymisen aivan uudelle tasolle.
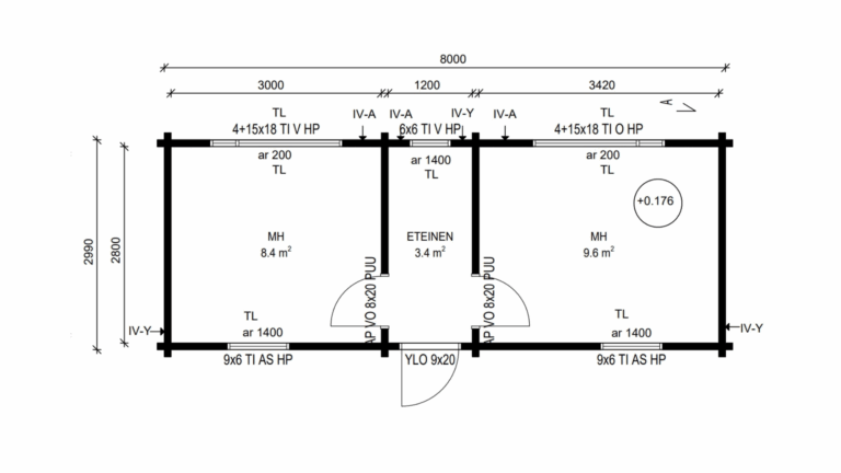
Aitat tuovat kotien ja mökkien pihapiireihin perinteistä suomalaista tunnelmaa. Tervas® aitat tarjoavat laadukkaat ratkaisut vieraiden majoittamiseen. Tervas® aitat sisältävät joko yhtenäisen ison tupatilan, erilliset makuuhuoneet tai tuvan yhdistettynä erillisiin makuuhuoneisiin. Esimerkiksi Lokka-aitastamme löytyvät sopivat vaihtoehdot jokaiselle kunkin yksilöllisten tarpeiden mukaan.
Pienemmät aittamallit soveltuvat täydellisesti pieniinkin pihapiireihin ja tarjoavat toivottua majoitustilaa pienelle määrälle vieraita. Isommissa aittamalleissa majoituskapasiteetti kasvaa jo merkittävästi, jolloin ne ratkaisevat suurempien joukkojen majoittamisen – esimerkiksi kokonaisten perheiden majoittamisen. Aitta tarjoaa joustavia tilaratkaisuja, kun tarvitset lisätilaa kotiin tai mökille.
Tervas® aitta on mahdollista suunnitella omia mieltymyksiä vastaavaksi. Aitat ovat saatavilla erilaisiin tarpeisiin eri kokoisina ja eri tyylein – aina perinteisestä moderniin. Katto on mahdollista valita eri vaihtoehdoista: harjakatto tuo perinteistä ilmettä, kun taas pulpettikatto antaa modernin ja linjakkaan vaikutelman. Aittaan on mahdollista suunnitella joko suuret ikkunat, joista kelpaa ihastella avautuvia maisemia tai pienet ikkunat, jos aittaan kaivataan enemmän yksityisyyttä. Myös ulkoverhoilun ja värityksen voit valita juuri omaan ympäristöösi ja tyyliisi sopivaksi – olipa kyseessä moderni tummasävyinen kokonaisuus tai luonnonläheisempi vaalea ilme.
Tervas® Lokka-aittoja on saatavilla useissa eri kokoluokissa – 8,3 kem²-29,9 kem², jotta löydät sopivan vaihtoehdon juuri sinun tarpeisiisi. Hirrestä valmistettu Lokka on suosittu valinta, kun rakennukselta halutaan mukautuvuutta, hengittävyyttä ja ekologisuutta. Väre- ja Sumu-aitat ovat rakenteeltaan Uniikki®-rakennuksia. Puukuitupohjaisista materiaaleista valmistettu Uniikki®-rakenne soveltuu ympärivuotiseen käyttöön.